Menggunakan op amp sebagai komparator. Rancang differensiator op amp dengan input bervariasi antara 10 hz sampai 1khz dengan vin 1 sin w t.
741 dua op amp 4558 lf356 empat op amp contoh lm324 tl084 dll.
Contoh soal op amp sebagai komparator. Gambar 228 sinyal output rangkaian differensiator op amp untuk menentukan nilai cf dan rf pada differensiator op amp ini ditentukan dari fa dan fb dengan hubungan sebagai berikut. Rangkaian inverting op amp closed loop rangkaian penguat pembalik sinyal masukkan diberikan melalui sebuah resistor masukkan ri yang dihubungkan secara seri terhadap masukkan pembalik inverting input yang disimbolkan dengan. Secara ideal harga v oo 0 v.
Tahanan feed back 330 kw. Jadi nilai vout stabil mendekati vin selama nilai vin lebih besar atau sama dengan vin. Contoh soal op amp.
Log into facebook to start sharing and connecting with your friends family and people you know. Tahanan input 1 kw. Operasional amplifier op amp sebagai komparator operational amplifier atau disingkat op amp merupakan salah satu komponen analog yang populer digunakan dalam berbagai aplikasi rangkaian elektronika.
Fb 20 fa contoh soal. Aplikasi op amp yang paling dasar yaitu sebagai pembanding tegangan komparator. A non pembalik 741 ic op amp rangkaian komparator ditunjukkan pada gambar di bawah.
Sinyal keluaran penguat operasional pada rangkaian penguat pembalik inverting amplifier diumpan balikan melalui rf kemasukkan yang sama. Contoh soal menghitung rangkaian op amp pembalik. We would like to show you a description here but the site wont allow us.
Dan tegangan input 17 mv. Hal ini disebut pembanding sirkuit non pembalik sebagai sinyal input sinusoidal vin diterapkan pada terminal non pembalik. Komparator membandingkan dua tegangan listrik dan mengubah keluarannya untuk menunjukkan tegangan mana yang lebih tinggi.
Ada yang berisi satu op amp contoh. Tegangan referensi tetap vref adalah memberikan ke terminal pembalik dari op amp. Pada rangkaian komparator penguat operasional digunakan pada konfigurasi terbuka dengan tegangan masukkan input voltage pada satu terminal masukkan dan sebuah tegangan referensi pada terminal masukkan lainya.
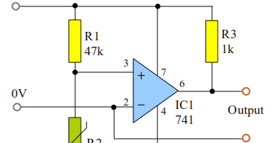
Penguat membalik adalah penggunanan op amp sebagai penguat sinyal dimana sinyal outputnya berbalik fasa 180 derajat dari sinyal input. Dari percobaan yang telah dilakukan yaitu op amp sebagai komparator jika vin lebih besar atau sama dengan vin maka ic lm324 atau komparator akan menghasilkan vout yang mendekati vin dalam praktikum yang telah dilakukan vin 5 volt dan vout 355 volt. Sebuah rangkaian op amp pembalik seperti gambar di bawah memiliki nilai nilai yaitu.
Pada dasarnya penguat operasional opersional amplifier umum digunakan sebagai komparator untuk membandingkan amplitudo suatu tegangan dengan amplitudo tegangan yang lain. Hitung berapa perolehan tegangan av tegangan output vout dan tegangan catu daya vcc pada rangkaian tersebut. Op amp yang dapat memenuhi harga tersebut disebut sebagai op amp dengan cmr common mode rejection.
We would like to show you a description here but the site wont allow us.
Contoh Soal Op Amp Kumpulan Soal Pelajaran 3
Contoh Soal Op Amp Kumpulan Soal Pelajaran 3
Penguat Op Amp Inverting Op Amp Dan Non Inverting Op Amp
Rangkaian Elektronika 2 Contoh Soal Op Amp 2
Penguat Nirsam Slamet Harjono Aziz Gufron
Komparator Op Amp Rangkaian Elektronika Lengkap
Penguat Nirsam Slamet Harjono Aziz Gufron
Dcac Op Amp Sebagai Komparator
Op Amp Sebagai Komparator Samrasyid
Op Amp Sebagai Komparator Samrasyid
Penguat Operasional Op Amp Ppt Download
Elektronika Lanjut Tk34205 2 Sks Ppt Download
Merancang Komparator Dengan Histerisis Fahmizal Note
Penguat Operasional Op Amp Abi Sabrina
Teknik Elektro Semester 3 Oktober 2013
Bab V Rangkaian Op Amp Dasar 5 1 Penguat Inverting
Elektronika 2017 Pembahasan Soal Uts
Q Praktikum P 05 Komparator Power Electronic Operasional
Rangkaian Penjumlah Elektronika
Laporan Praktikum Op Amp Hajar Fisika
Op Amp Sebagai Penguat Non Inverting Samrasyid
Aplikasi Op Amp Sebagai Penguat Differential
Ilmu Adalah Segalanya Op Amp Sebagai Komparator
Q Praktikum P 05 Komparator Power Electronic Operasional
Operasional Amplifier Op Amp Oleh Sri Supatmi Pdf
Ilmu Adalah Segalanya Aplikasi Penguat Operasional
Percobaan I Laboratorium Elektronika Ui
Komparator Op Amp Elektronika Bersama
Q Praktikum P 05 Komparator Power Electronic Operasional
Penguat Operasional Op Amp Ppt Download
Op Amp Sebagai Penguat Non Inverting Samrasyid
Penguat Operasional Op Amp Abi Sabrina
I Pengembangan Media Pembelajaran Praktik Rangkaian
Bab 2 3 Operasional Amplifier Op
Operasional Amplifier Op Amp Oleh Sri Supatmi Pdf
Penguat Operasional Wikipedia Bahasa Indonesia
Merancang Komparator Dengan Histerisis Fahmizal Note
Praktikum Elektronika Analog 01 P 05 Komparator Smt Genap
Sri Supatmi Elektronika Lanjut 2011 Aplikasi Operasional
Vb 13 Gambar 224 Rangkaian Komparator 2 Opamp Dengan Output
Sri Supatmi Elektronika Lanjut 2011 Aplikasi Operasional
Modul I Rangkaian Dasar Op Amp
Operasional Amplifier Op Amp Oleh Sri Supatmi Pdf
Oleh Asri Wulandari St Mt Ppt Download
Contoh Soal Op Amp Contoh Soal Dan Contoh Pidato Lengkap
Penguat Operasional Op Amp Ppt Download
Pdf Komparator Rasmi Anti Academia Edu
Operasional Amplifier Op Amp Oleh Sri Supatmi Pdf
I Pengembangan Media Pembelajaran Praktik Rangkaian
Sharing Belajar Op Am Elektronika Dasar
Aplikasi Op Amp Pada Sensor Suhu
Elektronika Lanjut Tk34205 2 Sks Ppt Download
Sri Supatmi Elektronika Lanjut 2011 Aplikasi Operasional
Kumpulan Soal Tugas Awal Pea 2017 Laboratorium Fisika
Operasional Amplifier Op Amp Oleh Sri Supatmi Pdf
Op Amp Sebagai Penguat Non Inverting Samrasyid
Doc Op Amp Achmad Sukamdani Academia Edu
Dasar Dasar Op Amp Pptx Powerpoint
Penguat Operasional Op Amp Abi Sabrina
Sri Supatmi Elektronika Lanjut 2011 Aplikasi Operasional
Penguat Operasional Op Amp Ppt Download
Penguat Operasional Wikipedia Bahasa Indonesia
Osilator Atau Pembangkit Sinyal Adalah Suatu Rangkaian Yang
Rangkaian Diferensial Dan Integrator





















0 Response to "Contoh Soal Op Amp Sebagai Komparator"
Posting Komentar